Каминная топка Romotop Heat W 4g 59.50.04
Код товара: 12114
Акция
138720 грн
154122 грн
Экономия 15402 грн
предзаказ
ТОВАР В КОРЗИНЕ
Товар добавлен в корзину
Каминная топка Romotop Heat W 4g 59.50.04
138720 грн
−
0
+
Сопутствующие товары
в избранном
Доставка по Украине:
ТК Новая Почта, Деливери.
Бесплатно от 3000 гривен.
Подробнее
Оплата:
При получении,
на карту,
на расчетный счет
онлайн Visa/Mastercard
на карту,
на расчетный счет
онлайн Visa/Mastercard
Подробнее
Способы расчета за товары и услуги
Гарантия:
2—5 лет
Возврат товара в течение 14 дней
Возврат товара в течение 14 дней
Подробнее
Гарантия

Производитель: Romotop
Страна производителя: Чехия
Сопутствующие товары
Описание
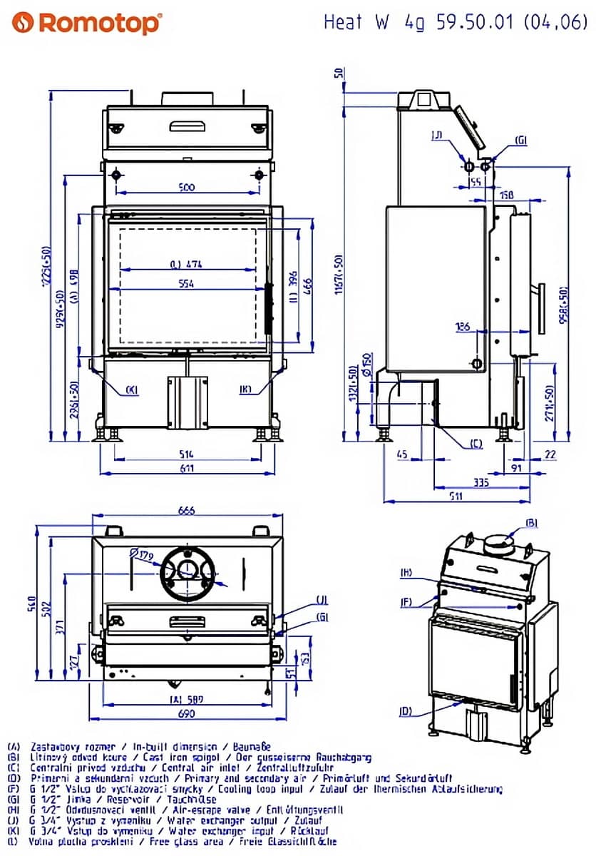
Каминная топка Romotop Heat W 4g 59.50.04 с водяным теплообменником, прямым стеклом, открытием дверцы в сторону и футеровкой из темного материала Igniton, рассчитана на интеграцию в системы отопления частных домов.
Особенности:
- Водяной теплообменник объемом 51 л с многоконтурной запатентованной системой Triple Pass, повышающей отбор тепла;
- Сервисное отверстие для быстрого доступа к очистке теплообменника;
- Интегрированный охлаждающий контур для дополнительной безопасности;
- Система центрального подвода воздуха (ЦПП);
- Колосниковая решетка из чугуна;
- Зольный ящик для удобного обслуживания;
- Камера сгорания с футеровкой Igniton;
- Регулируемые опорные ножки для точной установки;
- Термостойкое стекло с декоративным оформлением;
- Дверная рама из жесткого прокатного стального профиля;
- Встроенный выпускной воздушный клапан;
- Возможность установки дополнительной монтажной рамки;
- Соответствие европейским и национальным нормам – EN 13229, DIN+, BImSchV 1/2, закону ЧР об охране атмосферного воздуха.
Характеристики:
- монтажный размер – 589 × 498 мм;
- размер фасада – 59 × 50 см;
- мощность теплообменника – 12 кВт;
- класс энергоэффективности – A+;
- размеры камеры сгорания (В × Ш × Г) – 343 × 506 × 330 мм;
- минимальная площадь вентиляционных решеток (вход / выход) – 500 / 700 см²;
- упаковка – размеры (Г × Ш × В) 70 × 85 × 137 см;
- вес в упаковке – 245 кг.
У нас можно купить каминную топку Romotop Heat W 4g 59.50.04 с бесплатной доставкой по Украине.
Характеристики
| Код товара | 00000012114 |
| Код производителя | HW4N 04 |
| Серия топки | Heat |
| Материал корпуса топки | высококачественная сталь S235JR |
| Топливо | дрова |
| Максимальная длина полена, мм | 500 |
| Расход топлива, кг/час | 3,5 |
| Мощность номинальная, кВт | 13,0 |
| Диапазон отопительной мощности, кВт | 6,5–16,9 |
| КПД, % | 86,7 |
| Стороны обзора | фронтальная |
| Диаметр входа внешнего воздуха, мм | 150 |
| Диаметр дымохода, мм | 180 |
| Минимальная тяга при номинальной мощности, Па | 12 |
| Ширина, мм | 666 |
| Высота, мм | 1137 |
| Глубина, мм | 560 |
| Вес, кг | 206 |
| Гарантия | 2—5 лет |

